Nawigacja
Menu
Strona główna
Regulamin
Forum
Szukaj
Wspomogli Nas
Suzuki Katana AY WR
Dane techniczne
Galeria
Download
Artykuły
Filmiki
Aktualnie online
Gości online: 11
Użytkowników online: 0
Wszystkich userów: 2,210
Najnowszy użytkownik:
SZYMEK
Ostatnio Widziani
Dandusiek
49 tygodni
dawidzio28
55 tygodni
Kamil
95 tygodni
Dexios
130 tygodni
MACHoo
131 tygodni
Aroni
146 tygodni
cineklab
148 tygodni
adamek2114
151 tygodni
KACPERBA1900
215 tygodni
wydrus
249 tygodni
valavme
257 tygodni
pawel57
294 tygodni
Daniez
302 tygodni
ďťż
Przetłumacz stronę
Ostatnie artykuły
Jak zrobić badlooka
Co zrobić by nasz sk...
Filtr powietrza - wy...
Ditech na gaźnik
Malowanie amortyzatora
Ostatnio dodano
patriko0202
patriko0202
adamek2114
UrbanDefence
ZOBACZ OFERTY
FACEBOOK
Download: Inne
Schemat silnika
Licencja:
O/S:
Wersja:
Dodano:
10/07/2007 15:31
Pobrań:
3859
Pobierz
(100 KB)
Pomalują swoją katane
Licencja:
O/S:
Wersja:
Dodano:
10/07/2007 17:09
Pobrań:
3104
Pobierz
(70.9 KB)
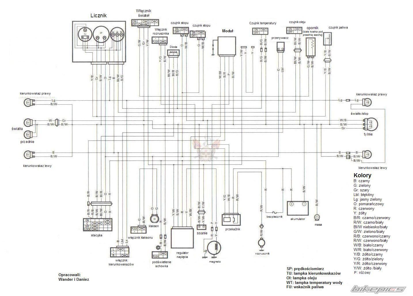
Schemat instalacji elektrycznej
Licencja:
O/S:
Wersja:
Dodano:
10/07/2007 17:14
Pobrań:
3881
Pobierz
(237 KB)
Instrukcja obsługi
Licencja:
O/S:
Wersja:
Dodano:
12/07/2007 21:28
Pobrań:
3315
Pobierz
(7.70 MB)
Wszystkie schematy śrubka po śrubce
Licencja:
O/S:
Wersja:
Dodano:
29/03/2008 15:09
Pobrań:
4844
Pobierz
(3,76 MB)
Logowanie
Nazwa użytkownika
Hasło
Nie masz jeszcze konta?
Zarejestruj się
Nie możesz się zalogować?
Poproś o
nowe hasło
Ankieta
Jaką wersje katany posiadasz?
WR
AY
Musisz zalogować się, aby móc zagłosować.
Shoutbox
Musisz zalogować się, aby móc dodać wiadomość.
Dandusiek
27/03/2025 08:13
Sentyment zawitał. Powróciłem i zacząłem oglądać na yt swój filmik z kataną, oj piękne czasy
Aroni
07/05/2023 22:25
Z sentymentu zaglądam co kilka lat, ale cóż tu więcej robić, niż powspominać
adamek2114
09/04/2023 13:17
Szkoda, że te forum tak ucichło, a nowych użytkowników nie ma
dawidzio28
10/10/2021 09:42
Kolejne odwiedziny forum po długim czasie, wszystkie Katanki już po złomach czy co ?
Ja się za swoją chyba zabieram od nowa.
adamek2114
24/08/2021 12:17
Jak dawno mnie tu nie było xd
wydrus
11/05/2021 21:02
taaak
valavme
26/03/2021 16:02
Witam witam, uczęszcza ktoś tu jeszcze?
Aroni
22/09/2020 08:52
... dawno leży
Aroni
22/09/2020 08:52
Też mi się zebrało na sentyment... Podziwiam Kamil, że dalej utrzymujesz domenę ;] W sumie trochę wiedzy o tych skuterkach tutaj jest, pytanie jak długo będą ludzie z tego korzystać, bo produkcja już
wydrus
17/06/2020 12:24
A ja mam wciąż katane I śmigam nią do pracy.
Archiwum shoutboksa
Statystyki